• 91香蕉视频在线看,91香蕉在线免费观看,香蕉久久网,香蕉视频黄色网站

    歡迎來到河南省鞏義市91香蕉视频在线看管道廠官網!
    91香蕉在线免费观看節,91香蕉在线免费观看器,91香蕉在线免费观看接頭廠家,鞏義91香蕉视频在线看管道廠
    91香蕉在线免费观看節 1 2 3
    【91香蕉在线免费观看器係列】
    91香蕉在线免费观看器
    SSQ型鑄鐵91香蕉在线免费观看器
    球墨鑄鐵91香蕉在线免费观看器
    CS型熱力管道91香蕉在线免费观看器
    SF鋼製91香蕉在线免费观看器
    RS型柔性套管式91香蕉在线免费观看器
    SSQP兩端法蘭限位壓盤式伸...
    SQX-A型套管式91香蕉在线免费观看器
    SQX-B型套管式91香蕉在线免费观看器
    SQX-C型套管式91香蕉在线免费观看器
    【傳力接頭係列】
    傳力接頭
    VSSJAFG型單法蘭鬆套傳力接...
    VSSJAF型雙法蘭鬆套傳力接...
    VSSJAFC可拆式雙法蘭鬆套傳...
    CF型單法蘭鬆套傳力接頭
    C2F型雙法蘭鬆套傳力接頭
    CC2F型可拆式雙法蘭鬆套傳...
    北京傳力接頭
    上海傳力接頭
    天津傳力接頭
    【防水套管係列】
    防水套管
    不鏽鋼防水套管
    A型剛性防水套管
    B型剛性防水套管
    C型剛性防水套管
    02S404剛性防水套管
    02S404柔性防水套管
    07FS02剛性密閉套管
    07FS02柔性密閉套管
    人防地下室專用密閉套管
    【補償器係列】
    補償器
    TWB/ZTWB型注油式直流介質...
    非金屬補償器矽膠蒙皮
    JR型通用金屬軟管
    不鏽鋼波紋管
    QB型球型補償器
    直埋式波紋補償器
    軸向內壓式波紋管膨脹節
    軸向外壓式波紋管膨脹節
    橫向小拉杆波紋管膨脹節
    【橡膠接頭係列】
    橡膠接頭
    JGD單球體可曲撓橡膠接頭
    JGD型雙球體可曲撓橡膠接頭...
    KXT單球體可曲撓橡膠接頭
    KXT雙球體可曲撓橡膠接頭
    GJQ(X)-SF雙球體可曲撓橡膠...
    GJQ(X)-DF-II單球體可曲撓...
    防拉脫可曲撓橡膠接頭
    JGD-B可曲撓雙球體絲連接橡...
    風機盤管接頭
    【冷卷法蘭係列】
    冷卷法蘭
    內蒙古彎嘴鴨嘴閥供應廠家...
    寧夏卡箍式鴨嘴閥廠家
    山東卡箍式橡膠鴨嘴止回閥...
    安徽單向橡膠鴨嘴閥工作原...
    湖南單向橡膠鴨嘴閥工作原...
    沈陽法蘭式鴨嘴閥生產廠家...
    【91香蕉在线免费观看接頭係列】
    雙法蘭限位91香蕉在线免费观看接頭
    VSSJA-1型單法蘭限位91香蕉在线免费观看接...
    B2F型雙法蘭鬆套限位91香蕉在线免费观看接...
    BF型單法蘭鬆套限位91香蕉在线免费观看接...
    AY型壓蓋式鬆套91香蕉在线免费观看接頭
    SSJB-3(BY)壓蓋式鬆套限位...
    SSJB-2(BY)壓蓋式鬆套限位...
    焊接式91香蕉在线免费观看接頭
    SSJB(AY)型壓蓋式鬆套91香蕉在线免费观看...
    GFJH型雙法蘭鋼複接頭
    防水套管係列

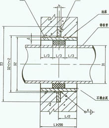
    C型剛性防水套管

    剛性防水套管適用於管道穿牆處不受管道振動和91香蕉在线免费观看的構(建)築物。對於有地震設防要求的地區,如采用剛性防水套管,應在進入池壁或建築物外牆的管道上就近設置柔性連接。A型適用於鋼管,B、C型適用於球墨鑄鐵管及鑄管。
    剛性防水翼環適用於管道穿牆處不受管道振動和91香蕉在线免费观看的構(建)築物,適用於管道穿牆處空間有限或管道安裝先於構(建)築物或管道的更新改造。對於有地震設防要求的地區,如采用剛性防水翼環,應在進入池壁或建築物外牆的管道上就近設置柔性連接。

    全國24小時銷售熱線:0371-64031268

    C型剛性防水套管適用於管道穿牆處不承受管道振動和91香蕉在线免费观看變形的構(建)築物,對於地震設防要求的地區,如采用剛性防水套管,應在進入池壁或建築物外牆的管道上就近設置柔性連接,C型適用於球墨鑄鐵管。

     

    技術參數:

    剛性防水套管(C型)尺寸表、重量表

    DN

    D1

    D2

    D3

    D4

    δ

    C

    重量
    (kg)

    鑄鐵管

    球墨鑄鐵管

    75

    93

    -

    115

    135

    245

    12

    10

    9.25

    100

    118

    118

    140

    160

    270

    12

    10

    10.89

    150

    169

    170

    190

    220

    330

    16

    12

    21.12

    200

    220

    220

    240

    270

    380

    16

    12

    25.91

    250

    271.6

    274

    295

    325

    435

    16

    12

    31.17

    300

    322.8

    326

    377

    380

    500

    16

    12

    37.40

    350

    374

    378

    400

    435

    555

    20

    16

    50.66

    400

    425.6

    429

    450

    485

    605

    20

    16

    56.45

    450

    476.8

    -

    500

    535

    655

    20

    16

    62.24

    500

    528

    532

    555

    595

    735

    22

    18

    81.94

    600

    630.8

    635

    660

    700

    840

    22

    18

    96.27

    700

    733

    738

    760

    805

    945

    26

    20

    126.1

    800

    836

    842

    865

    910

    1050

    26

    20

    142.4

    900

    939

    945

    970

    1020

    1160

    28

    20

    175.3

    1000

    1041

    1048

    1075

    1125

    1265

    28

    20

    193.3

    1100

    1144

    -

    1170

    1225

    1365

    30

    24

    229.4

    1200

    1246

    1255

    1280

    1335

    1475

    30

    24

    250.0

    企業名稱:鞏義市91香蕉视频在线看管道廠 地 址:河南省鞏義市西村工業區 聯係人:龐經理 電話:0371-64031268
    手機:15617617287 / 15038001853 傳真:0371-64031728 E_mail:gyltgd@126.com 豫ICP備12019710號-5
    專業91香蕉在线免费观看節,91香蕉在线免费观看器,91香蕉在线免费观看接頭,管道91香蕉在线免费观看器,限位91香蕉在线免费观看器生產廠家 版權所有 :鞏義市91香蕉视频在线看管道廠
    網站地圖